


111,11 ₸
Көтерме бағаны көрсетуСайттағы минималды тапсырыс сомасы — 100 000 ₸
Компания ХХІ КВАНТ ұсынады сатып алу Траверса ТМ-80а, ТМ-80аМ қоймада немесе тапсырыс бойынша бізде тиімді бағамен. Бізде сіз сапалы өнімді көтерме бағамен тікелей делдалсыз аласыз. Барлық позицияларда Сертификаттар мен сапа төлқұжаттары бар.
Сіз аласыз ТМ-80а, ТМ-80аМ траверсіне жеткізіліммен тапсырыс беру Қазақстанның кез келген өңіріне: Қарағанды, Алматы, Астана, Шымкент, Орал, Қостанай, Павлодар, Ақтау, Өскемен және т.б. Біз сенімді логистиканы және жылдам жеткізуді қамтамасыз етеміз. Тапсырысты сайт арқылы рәсімдеңіз kzcable.kz немесе нөмір бойынша кеңес алу үшін менеджерге хабарласыңыз +7 (747) 191-70-02
ТМ-80а, ТМ-80аМ траверстері 20.0027 (20.0027 19.02) үлгілік жобасына сәйкес шығарылады.
ТМ-80а, ТМ-80аМТраверстер сымдарды СТ тіректеріне бекіту үшін 10 кВ ауадағы жоғары вольтты электр беру желілерінің тіректері мен төсемдерін салу кезінде монтаждау элементтері ретінде пайдаланылады. Бұл траверстерді СВ105 және СВ110 тіреулеріне бекіту Х-1 және Х-42 қысқыштарын қолдану арқылы жүзеге асырылады. Қысқыштарды жеткізу жеке тапсырыс бойынша жүзеге асырылады.
ТМ-80а траверстері олар берік көміртекті болаттан жасалған және құрылғыларды коррозиядан қорғайтын битум негізіндегі лакпен (БТ-577 маркасы) қапталған.
ТМ80аМ траверстері олар арнайы болаттан жасалған, бұл бұл өнімдерді -40°C температурада пайдалануға мүмкіндік береді.
Жеткізу ткері ТМ-80а, ТМ-80аМ межелі жерге арнайы ыдыстарды немесе қаптамаларды қолдануды талап етпейді.
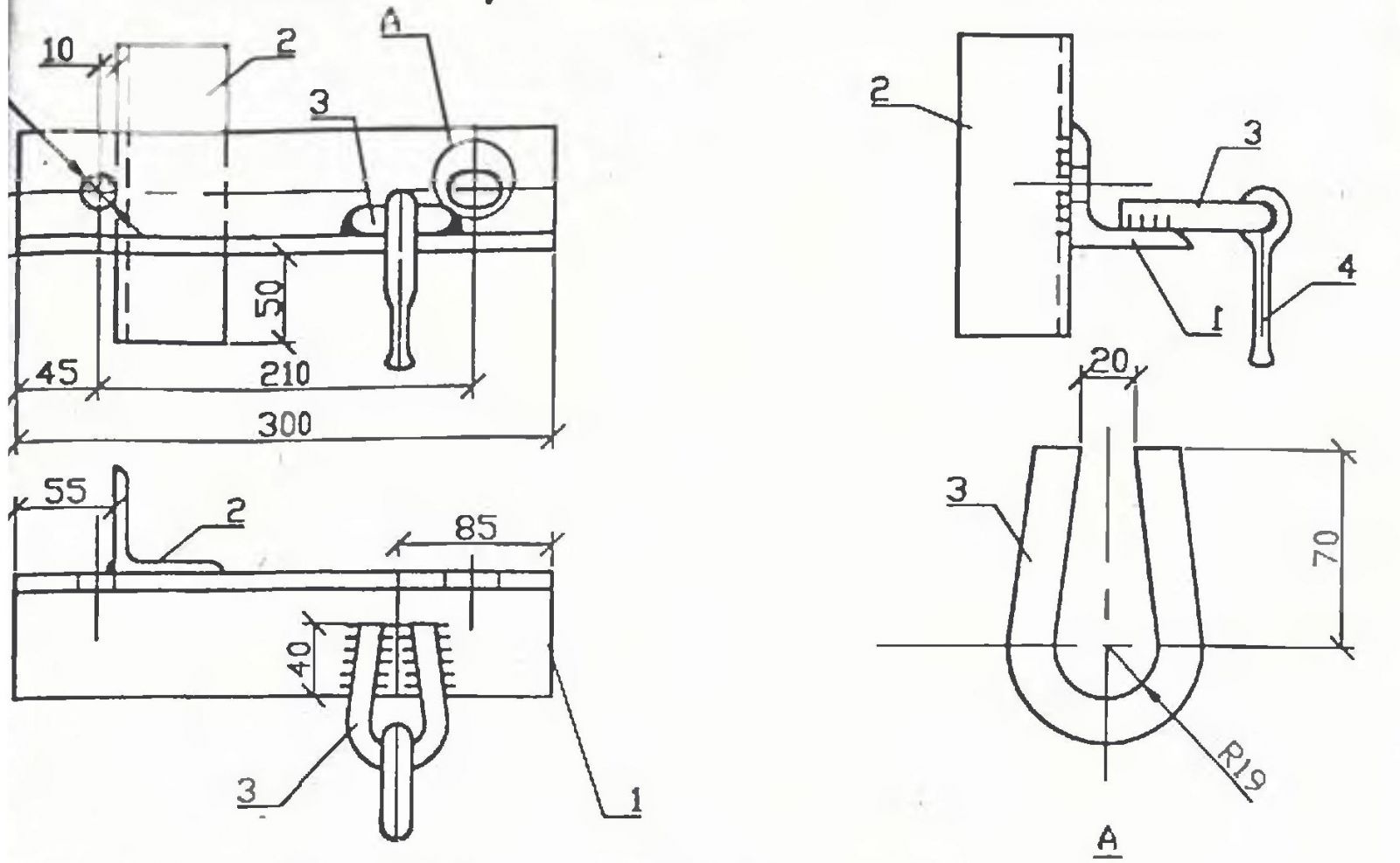
| Лауазымы | Бөлшектің атауы | Саны | Салмағы, кг |
|---|---|---|---|
| 1 | Бұрыш 70х70х6 МЕМСТ 8509-86 L=300 | 1 | 3,70 |
| 2 | Бұрыш 63х63х5 МЕМСТ 8509-86 L=200 | 1 | |
| 3 | Шеңбер В16 МЕМСТ 2590-88 L=240 | 1 | |
| 4 | Сырға СРС-7-16 ТУ 34-13-10272-88 | 1 |

1. Дәнекерлеуді ГОСТ 9467-75 сәйкес E42A электродымен орындаңыз, тігістің биіктігі 5 мм.
2. Антикорозиядан қорғау және болат маркасын таңдау техникалық шарттарға сәйкес жүзеге асырылады.
3. ТМ-80аМ траверстерін дайындау үшін болатты кестеге, техникалық шарттарға сәйкес, 40 градустан төмен есептік температуралар үшін қолдану керек.
Белгілеу нұсқалары: траверса ТМ-80а, ТМ-80аМ, ТМ80а, ТМ80аМ
****Тауардың бағасы Траверса ТМ-80а, ТМ-80аМ сатып алу көлеміне, төлем шарттарына, жеткізу шарттарына байланысты. Компания ХХІ КВАНТ ынтымақтастықтың тиімді шарттарын, жеңілдіктердің икемді жүйесін, төлемді 60 күнге дейін кейінге қалдыруды және мекемеге жылдам жеткізуді ұсынады.
Құнын есептеу үшін - бізге өтінім жіберіңіз WhatsApp немесе менеджерлерімізге нөмір бойынша хабарласыңыз +7 (747) 191-70-02
ТМ-80а, ТМ-80аМ траверстерін Қазақстан бойынша сенімді жеткізушіден 30%-ға дейінгі жеңілдікпен жоғары сапалы траверсті сатып алу мүмкіндігін жіберіп алмаңыз - тапсырысыңызды біздің сайтта орналастырыңыз kzcable.kz дәл қазір.
| Негізгі | |
|---|---|
| Өндіруші | Ама |
| Пайдаланушы сипаттамалары | |
| Салмақ | 3,70 келі |