


111,11 ₸
Көтерме бағаны көрсетуСайттағы минималды тапсырыс сомасы — 100 000 ₸
Компания ХХІ КВАНТ ұсынады ТМ-71 траверсасын сатып алу қоймада немесе тапсырыс бойынша бізде тиімді бағамен. Бізде сіз сапалы өнімді көтерме бағамен тікелей делдалсыз аласыз. Барлық позицияларда Сертификаттар мен сапа төлқұжаттары бар.
Сіз аласыз ТМ-71 траверсіне жеткізіліммен тапсырыс беру Қазақстанның кез келген өңіріне: Қарағанды, Алматы, Астана, Шымкент, Орал, Қостанай, Павлодар, Ақтау, Өскемен және т.б. Біз сенімді логистиканы және жылдам жеткізуді қамтамасыз етеміз. Тапсырысты сайт арқылы рәсімдеңіз kzcable.kz немесе нөмір бойынша кеңес алу үшін менеджерге хабарласыңыз +7 (747) 191-70-02
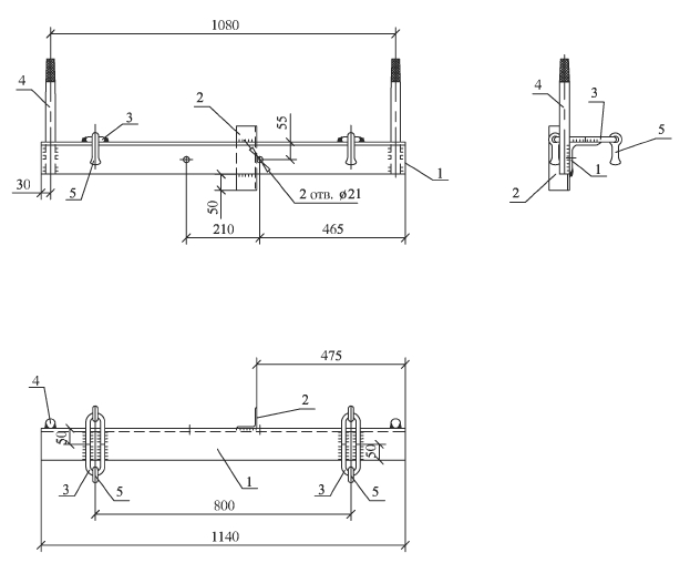
ТМ-71 траверсі 27.0002 (27.0002-36) үлгілік жобаға сәйкес шығарылады.
ТМ-71 траверстері 10 кВ жоғары вольтты әуе желілерін монтаждау кезінде СБ тіректеріне сымдарды бекіту үшін қолданылады.
Бекіткіш қысқыштар, соның арқасында траверсті тікелей бекіту жүзеге асырылады, тірек түріне байланысты таңдалады. СВ105 типті тіректерге траверса Х-1 қысқышының көмегімен, ал СВ110 типті тіректерге Х-42 қысқышының көмегімен бекітіледі. Х-1 және Х-42 қысқыштарын жеткізу жеке тапсырыс бойынша жүзеге асырылады.
Дайындау үшін материал ретінде ТМ-71 траверстері жоғары сапалы көміртекті болат қолданылады. Дайын өнімнің беті битумды БТ-577 лакпен қапталған, бұл коррозияға қарсы тұрақты қорғанысты қамтамасыз етеді.
| Лауазымы | Бөлшектің атауы | Саны | Салмағы, кг |
|---|---|---|---|
| 1 | Бұрыш 100х100х8 МЕМСТ 8509-93 L=1140 | 1 | 21.80 |
| 2 | Бұрыш 63х63х5 МЕМСТ 8509-93 L=200 | 1 | |
| 3 | 16 шеңбер МЕМСТ 2590-88 L=254 | 4 | |
| 4 | 30 шеңбер МЕМСТ 2590-88 L=360 | 2 | |
| 5 | 7-16 аралығындағы сырға | 4 |

Белгілеу нұсқалары: траверс ТМ-71, ТМ71, ТМ-71
****ТМ-71 Траверс тауарының бағасы сатып алу көлеміне, төлем шарттарына, жеткізу шарттарына байланысты. Компания ХХІ КВАНТ ынтымақтастықтың тиімді шарттарын, жеңілдіктердің икемді жүйесін, төлемді 60 күнге дейін кейінге қалдыруды және мекемеге жылдам жеткізуді ұсынады.
Құнын есептеу үшін - бізге өтінім жіберіңіз WhatsApp немесе менеджерлерімізге нөмір бойынша хабарласыңыз +7 (747) 191-70-02
Қазақстан бойынша сенімді жеткізушіден 30%-ға дейінгі жеңілдікпен жоғары сапалы Траверса ТМ-71 сатып алу мүмкіндігін жіберіп алмаңыз - тапсырысты біздің сайтта рәсімдеңіз kzcable.kz дәл қазір.
| Пайдаланушы сипаттамалары | |
|---|---|
| Салмақ | 21,80 келі |