


111,11 ₸
Показать оптовые ценыМинимальная сумма заказа на сайте — 100 000 ₸
Компания КВАНТ XXI предлагает купить Траверса ТМ-80а, ТМ-80аМ в наличии или под заказ у нас по выгодной цене. У нас вы получите качественную продукцию по оптовым ценам напрямую без посредников. Все позиции имеют Сертификаты и Паспорта качества.
Вы можете заказать Траверса ТМ-80а, ТМ-80аМ с доставкой в любой регион Казахстана: Караганда, Алматы, Астана, Шымкент, Уральск, Костанай, Павлодар, Актау, Усть-Каменогорск и другие. Мы обеспечим надежную логистику и быструю поставку. Оформляйте заказ через сайт kzcable.kz или обращайтесь к менеджеру для консультации по номеру +7 (747) 191-70-02
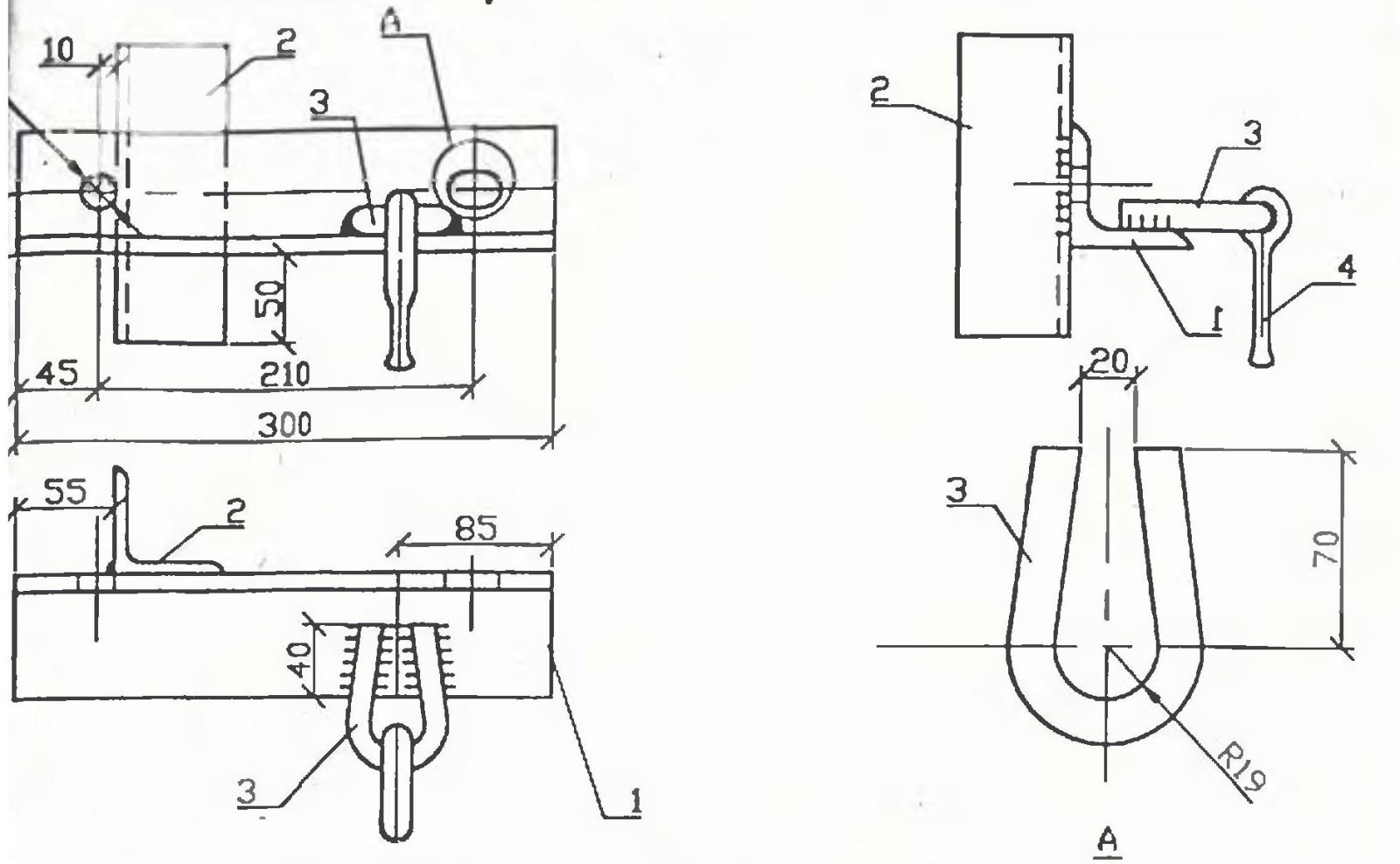
Траверсы ТМ-80а, ТМ-80аМ выпускается в соответствии с типовым проектом 20.0027 (20.0027 19.02).
Траверсы ТМ-80а, ТМ-80аМ используются в качестве элементов монтажа в период строительства опор и прокладки воздушных высоковольтных ЛЭП 10 кВ для крепления проводов к стойкам СВ. Крепление данных траверс на стойки СВ105 и СВ110 производится с применением хомутов Х-1 и Х-42. Поставка хомутов выполняется по отдельному заказу.
Траверсы ТМ-80а выполняются из прочной углеродистой стали и покрываются лаком на битумной основе (марка БТ-577), который защищает устройства от коррозии.
Траверсы ТМ80аМ изготавливаются из особой стали, что позволяет использовать данные изделия при температуре -40°С.
Доставка траверс ТМ-80а, ТМ-80аМ к месту назначения не требует применения специальной тары либо упаковки.
| Позиция | Наименование детали | Количество | Масса, кг |
|---|---|---|---|
| 1 | Уголок 70х70х6 ГОСТ 8509-86 L=300 | 1 | 3,70 |
| 2 | Уголок 63х63х5 ГОСТ 8509-86 L=200 | 1 | |
| 3 | Круг В16 ГОСТ 2590-88 L=240 | 1 | |
| 4 | Серьга СРС-7-16 ТУ 34-13-10272-88 | 1 |

1. Сварку выполнять электродом Э42A по ГОСТ 9467-75, высота шва 5 мм.
2. Антикорозийную защиту и выбор марки стали производить в соответствии с техническим заданием.
3. Для изготовления траверсы ТМ-80аМ применять сталь в соответствии с таблицей, технического задания, для расчетных температур ниже 40 градусов.
Варианты обозначения: траверса ТМ-80а, ТМ-80аМ, ТМ80а, ТМ80аМ
****Цена на товар Траверса ТМ-80а, ТМ-80аМ зависит от обьема закупки, условий оплаты, условий доставки. Компания КВАНТ XXI предлагает выгодные условия сотрудничества, гибкую систему скидок, отсрочку платежа до 60 дней и быструю доставку до объекта.
Для расчета стоимости - отправьте заявку нам на WhatsApp или свяжитесь с нашими менеджерами по номеру +7 (747) 191-70-02
Не упустите возможность купить Траверса ТМ-80а, ТМ-80аМ высокого качества с доставкой по Казахстану от надежного поставщика со скидкой до 30% - оформляйте заказ на нашем сайте kzcable.kz прямо сейчас.
| Основные | |
|---|---|
| Производитель | Ама |
| Пользовательские характеристики | |
| Вес | 3,70 кг |